¢º Ÿ°ø¸ÁÀÇ ¿ëµµ (¹èÀü¹Ý¹®Â¦,º¸È£¸Á)
ÈÇбâ°è, Â÷·®, ¹æÁ÷, Àü±â¼±¹Ú, ÇÕ¼º¼¶À¯, Á¦À¯, Á¦´ç, Á¦Áö, Á¦Ã¶, Á¦ºÐ, Á¦¾à, ½Ã¸àÆ®, ä¼®, ±¤»ê, ¾çÁ¶, ºñ·á,
ÀüÃà, Åä¸ñ ,Àå½Ä¿ë
| ¢º öÆÇ,½ºÅÙ·¹½º,¾Ë¹Ì´½,µ¿,ÇÃ¶ó½ºÆ½,ÇÇÇõµîÀÇ
ÀçÁú·Î Á¦ÀÛ°¡´É |
 |
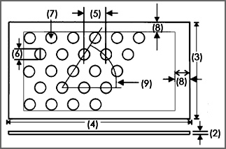
(1) Àç·á Á¾·ù
(2) ÆÇÀÇ µÎ²²
(3) ÆÇÀÇ Æø
(4) ÆÇÀÇ ±æÀÌ
(5) PITCH(°£°Ý)
(6) °øÀÇ Á÷°æ
(7) °øÀÇ ÇüÅÂ(¸ðÇü)
(8) ¿©¹éÀÇ Å©±â
(9) °øÀÇ °¢µµ |
| ¢º ¹è¿¿¡ µû¸¥ ºÐ·ù |
|
60°¢ÀÇ °ø¿
|
45°¢ÀÇ °ø¿
|
0°¢ÀÇ °ø¿
|
|
|
|
|
|
60°¢ÀÇ °ø¿
|
Àå°ø ³ª¶õÇÑ °ø¿
|
»ç°¢ °ø¿
|
|
|
|
|
|
|
|
|